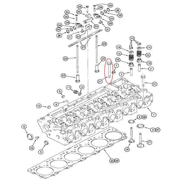
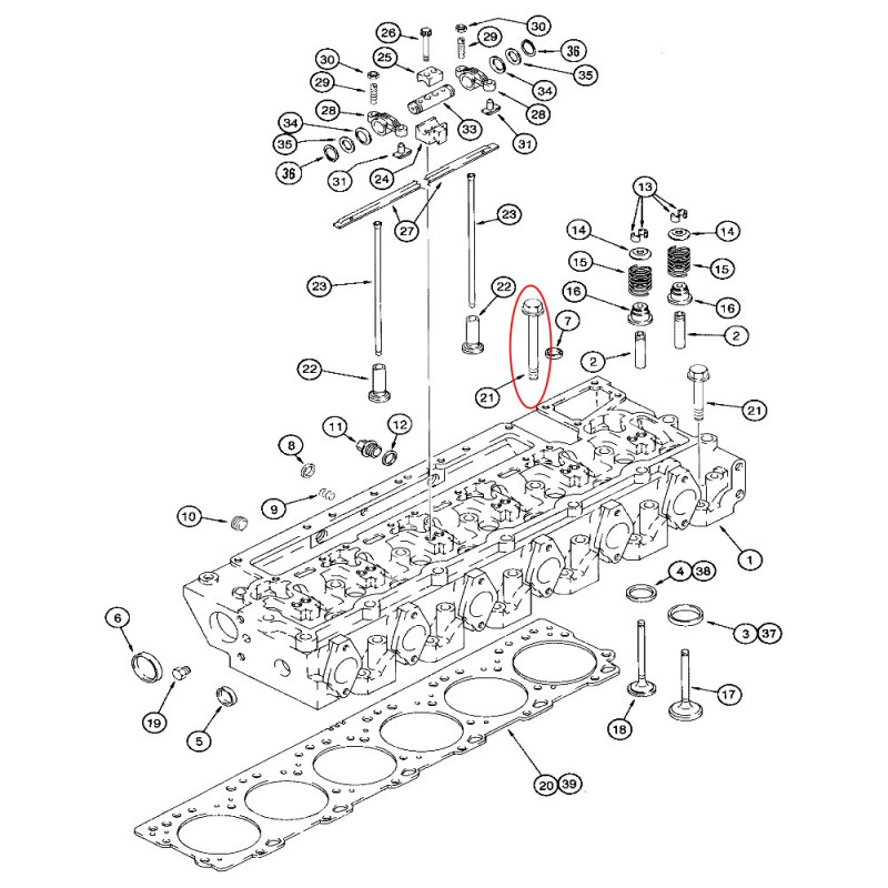
SPO2108 Szpilka głowicy Cummins Case Magnum M14x160mm

26,00 zł
Brutto
Ilość

Case
7110, 7120, 7130, 7140, 7150
7210, 7220, 7230, 7240, 7250
8910, 8920, 8930, 8940, 8950
MX180, MX200, MX210, MX220, MX230

New Holland
TG210, TG230

Silniki
C6T-830, C6TA-830

Wymiary
M14 x 160mm

Numery porównawcze
J917728 3917728 87344126 J960043 3960043 A77668 A77670 A77627 3960043

Zobacz także