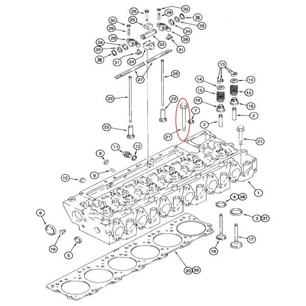
SPO2107 Szpilka głowicy Cummins Case Magnum M14x80mm

30,00 zł
Brutto
Ilość

Case
7110, 7120, 7130, 7140, 7150
7210, 7220, 7230, 7240, 7250
8910, 8920, 8930, 8940, 8950
MX180, MX200, MX210, MX220, MX230

New Holland
TG210, TG230

Silniki
C6T-830, C6TA-830

Wymiary
M14 x 80mm
Długość całkowita ok. 96mm
Pozycja numer 21 na rysunku

Numery porównawcze
02-911092 02/911092 02911092 3917729 CM3917729 HCK3917729 J917729

Zobacz także