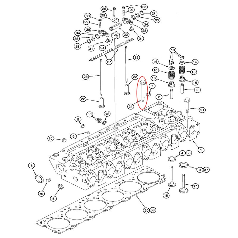
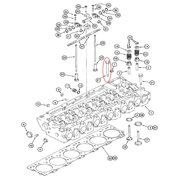
SPO2108 Kopfbolzen Cummins Case Magnum M14x160mm

26,00 zł
Bruttopreis
Menge

Fall:

7110, 7120, 7130, 7140, 7150

7210, 7220, 7230, 7240, 7250

8910, 8920, 8930, 8940, 8950

MX180, MX200, MX210, MX220, MX230

                 

New Holland:

TG210, TG230

                 

Motoren:

C6T-830, C6TA-830

                 

Abmessungen:

M14 x 160 mm

                  

Numery porównawcze
J917728 3917728 87344126 J960043 3960043 A77668 A77670 A77627 3960043

Vielleicht gefällt Ihnen auch