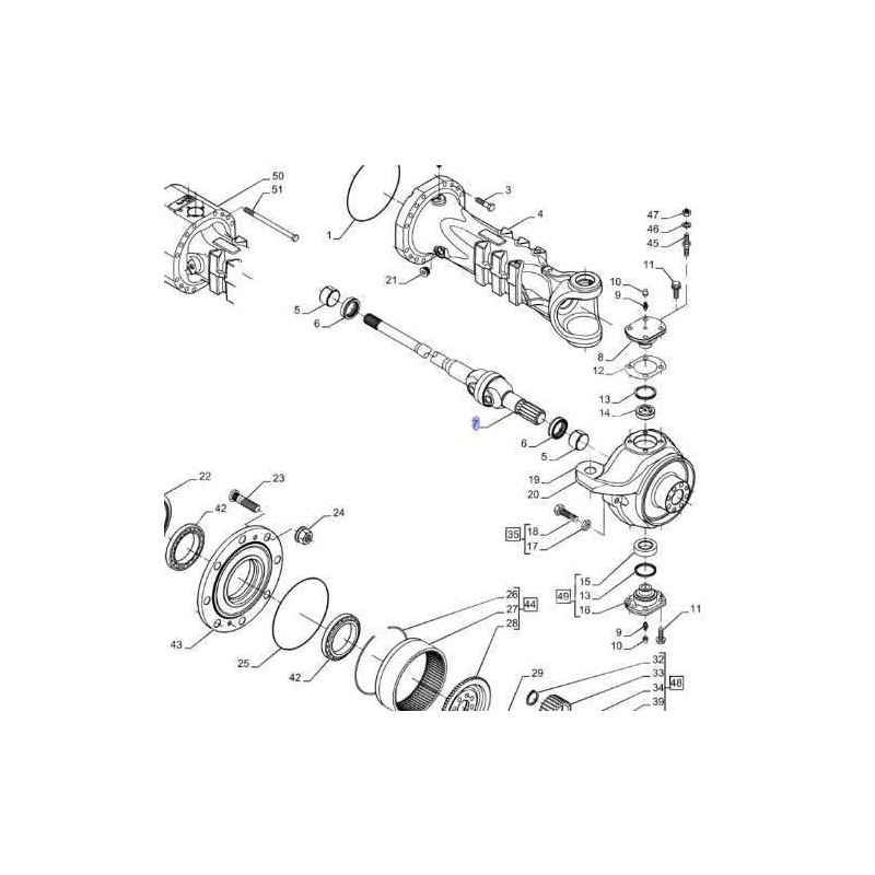
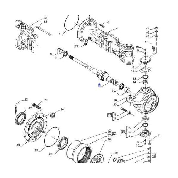
PON3606 Półoś kompletna New Holland LM

Indeks New Holland
3 100,00 zł
Brutto
Ilość

New Holland
LM5030
LM6.28


Numery porównawcze
84525511 47881059