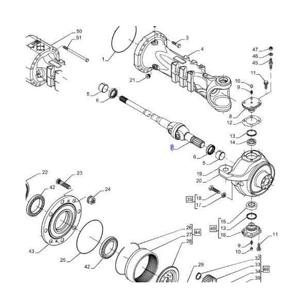
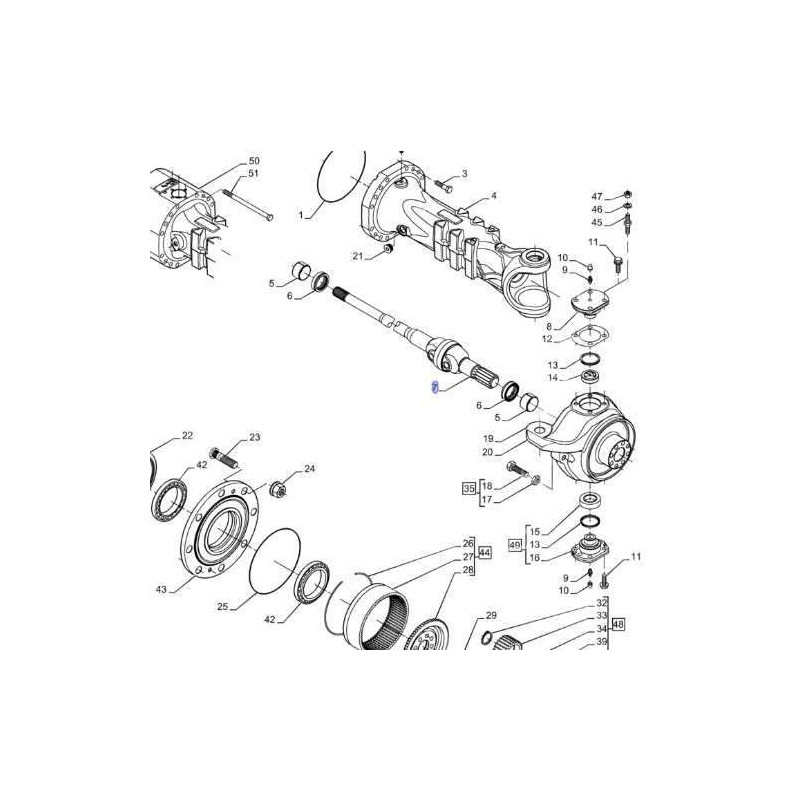
PON3606 New Holland LM Achswelle komplett

Artikel-Nr. New Holland
3.100,00 zł
Bruttopreis
Menge

New Holland
LM5030
LM6.28


Numery porównawcze
84525511 47881059