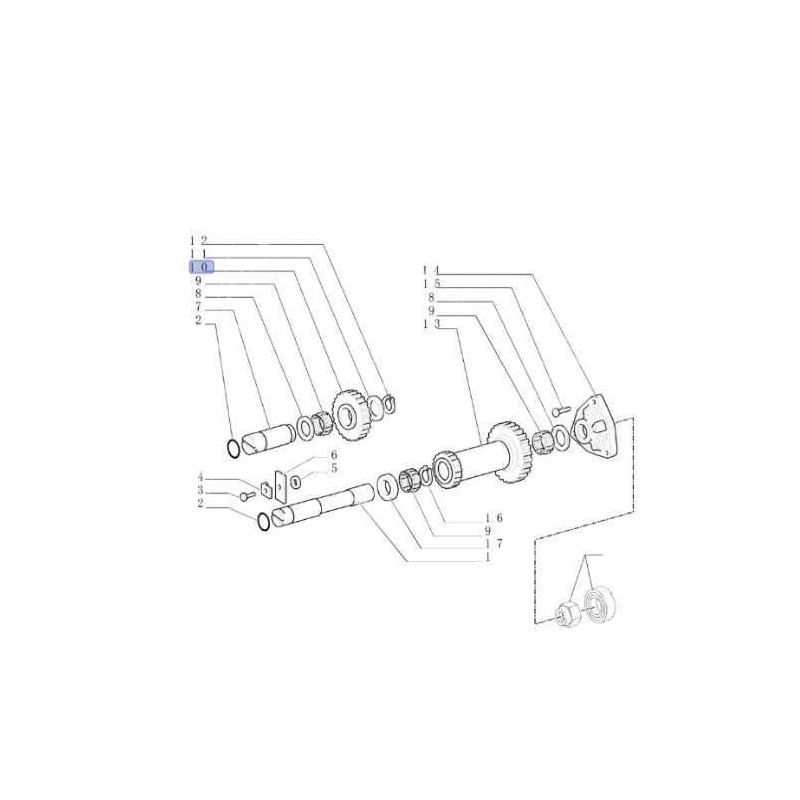
SKR9036 Koło zębate skrzyni biegów Z-23

Indeks 0
95,00 zł
Brutto
Ilość

Case
JX100U, JX1070U, JX1080U, JX1090U, JX1100U
JX55, JX60, JX65, JX70, JX70U, JX75, JX80, JX80U, JX85, JX90, JX90U, JX95, JXU105, JXU75, JXU85, JXU95
VJ70, VJ80
Farmall 65A 75A 85A 95A
Farmall JX70 JX75 JX80 JX90 JX100 JX110

Ford
5635, 4835, 7635, 4635, 6635
 
Fiat
6566S, 6566S DT, 5566S, 5566S DT, 6066S, 6066S DT
 
New Holland
T4.85, T4.115, T4.75, T4.105, T4.95
T5050, T5040, T5030, T5060
TD5020, TD5040, TD5050, TD5010, TD5030
TD60, TD70, TD95, TD90, TD80
TD4020F, TD4030F, TD4040F
TD4.90F, TD4.70F, TD4.80F
TD5.90, TD5.95, TD5.75, TD5.110, TD5.80, TD5.100, TD5.65, TD5.85
TD55D, TD95D, TD60D Plus, TD60D, TD70D, TD75D, TD65D, TD85D, TD80D, TD80D Plus, TD90D, TD90D Plus
TD65F, TD75F, TD85F
TL80, TL100, TL65, TL70, TL90, TL95, TL85
TL70A, TL100A, TL80A, TL90A
TL85E, TL95E
 
Z : 23
Ø 77,00 mm
Ø 38,00 mm
Numery porównawcze
5160492

Zobacz także