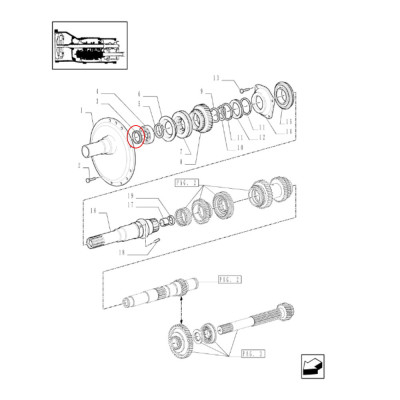
SKR2088 Uszczelniacz, oring, pierścień uszczelniający kosza sprzęgłowego Mały Case New Holland 89,00 zł