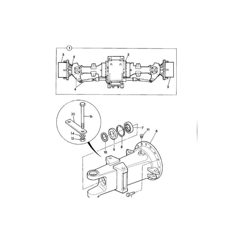
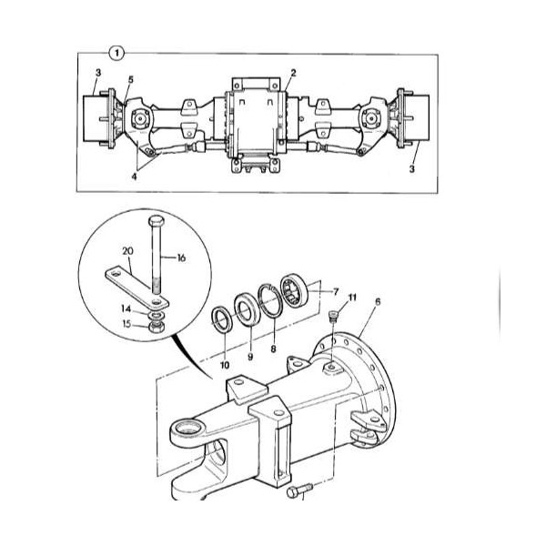
PON2108 Łożysko półosi JCB

54,00 zł
Brutto
Ilość

JCB

520-70 525-70 530-70 531-70 540-70 541-70

Poz nr 7

Numery porównawcze
907/08400 907/20025 90720025

Zobacz także