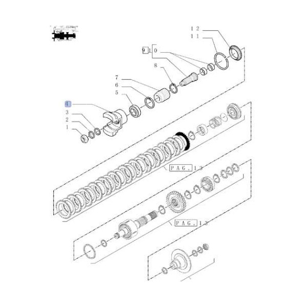
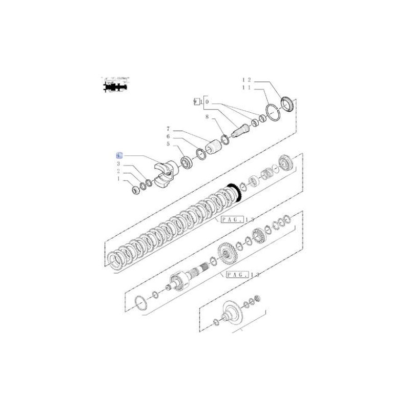
PON3028 Flansza wału napędowego wyjście ze skrzyni na przód / tył

1 700,00 zł
Brutto
Ilość

Case
580SR 590SR 695SR 695SM
580SL 590SLE 580SM
580LSP 590LSP

New Holland
FB110 FB110.2 FB200.2 FB200.2 4WS
B110 B115
B110B B115B
LB110.B LB115.B
NH95

Ładowarki teleskopowe
LM732
LM1133 LM1330 LM1333 LM1340 LM1343 LM1345 LM1060 LM1440 LM1740 LM1745
KOBELCO T13 T14 T17


Numery porównawcze
9970069 9969090 76086306 291524A1