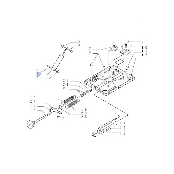
AKK3421 Amortyzator siedzenia Grammer MSG85 DS85

539,00 zł
Brutto
Ilość

Case
695SM
580SR 590SR 695SR
580ST 590ST 695ST 580T


New Holland
B110 B95 B200
B100B B95B B90B B110B B115B
575E 675E 655E 555E
FB100.2 FB110.2
LB95 LB110 LB90
LB115.B LB75.B LB90.B LB95.B

John Deere

Fotele MSG85 DS85

Maksymalna długość 290mm
Minimalna długość 210mm


Numery porównawcze
85817431 83999766 300533A1 E9NND446DA AL70629