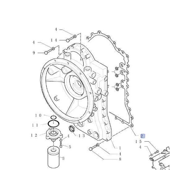
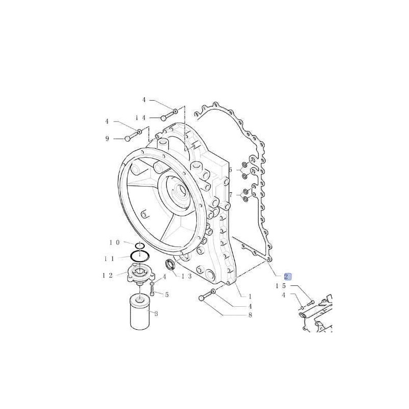
SKR2055 Uszczelka skrzyni biegów Case80SR NEw Holland LB

132,00 zł
Brutto
Ilość

Ford New Holland
NH95TLB
FB100, FB110, FB200
LB110, LB115, LB110.B, LB90.B, LB95, LB100, LB100.B, LB110, LB110.B
B110.B, B90.B, B95, B100, B100.B, B110, B110.B
575E 675E

Case
580SM, 580SR, 580LSP 590SLE, 590SM, 590SR
695SR 695SM

Pozycja nr.2

Numery porównawcze
291543A1 9969002