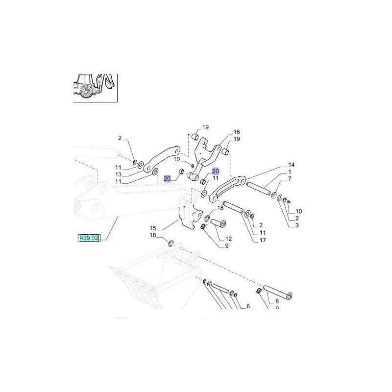
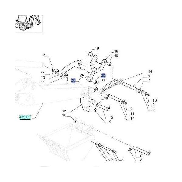
KOP7083 Tulejka łączników łyżki Case 580 K SK SLE SM 590 SLE SM

35,00 zł
Brutto
Ilość

Case:

580LSP 580LPS 580SL 580SLE 580SM 580K 580SK
590LSP 590SLE 590SM
595 595LSP 595SLE 595SP

Numery porównawcze
107124A1 D127172