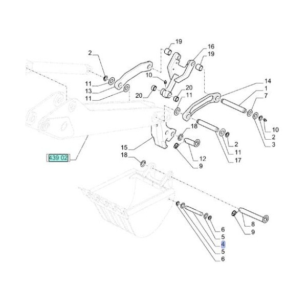
KOP7075 Sworzeń tylnej łyżki koparkowej

Indeks 123
 
75,00 zł
Brutto
Ilość

Case
580SR, 590SR, 695SR
 
Pozycja nr. 4
 
Numery porównawcze
47048659