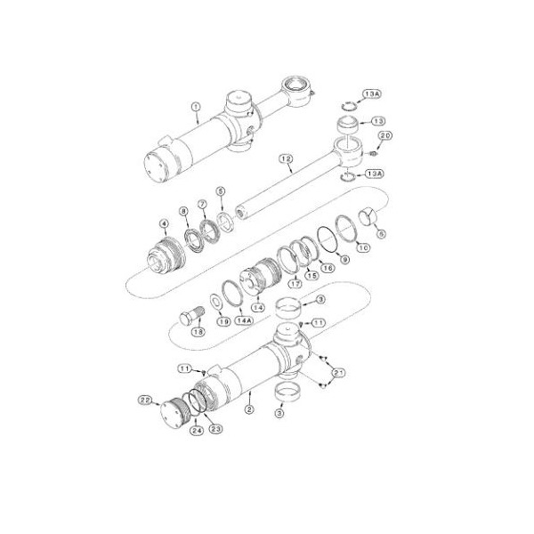
HYD2548 Zestaw uszczelniaczy siłownika skrętu 51/95mm

Indeks Case
169,00 zł
Brutto
Ilość

Case:
580L
580SM, 590SM

Wymiary: 51/95mm

Numery porównawcze
191747A1