KOP7124 Zestaw naprawczy obrotu konika Case

Zestaw naprawczy sworzni siłowników obrotu
Tzw. "konika"

W składzie zestawu znajdą Państwo 24 przedmioty
W tym:
14 tulei
2 sworznie
8 zgarniaczy

799,00 zł
Brutto
Ilość

Case
570
580
590
695
ST T 

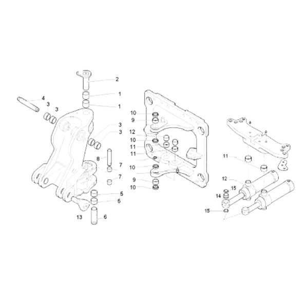
W komplecie naprawczym znajdują się (numeracja z rysunku technicznego)
Tuleja nr 7 x4
Sworzeń nr 8 x2
Tulejka nr 11 x4
Tulejka nr 12 x4
Tulejka nr 14 x2
Zgarniacz nr 15 x4
Oraz 4 zgarniacze niebędące na schemacie 

Numery porównawcze
85803193 85803192 83910645 83912378 85800303 83931289