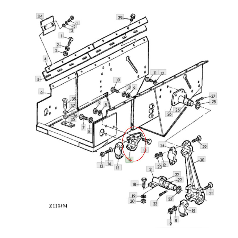
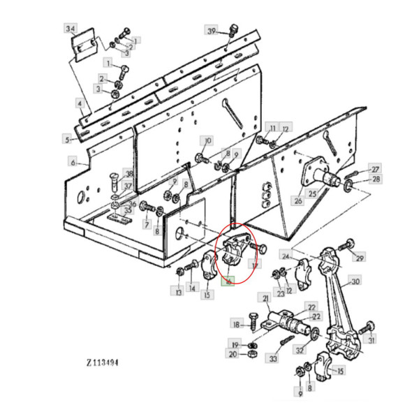
JS05-Z10008 Obejma tulejki podsiewacza

59,00 zł
Brutto
Ilość

John Deere:

1032, 1042, 1052, 1055, 1065, 1068H, 1072, 1075, 1075 HYDRO 4, 1075HY

1133, 1144, 1155, 1157, 1158, 1165, 1166, 1166 HYDRO 4, 1169, 1169 HYDRO 4, 1174, 1174 HYDRO 4

1175, 1177, 1177 HYDRO 4

4425, 4435, 4435 HYDRO

6300, 7100, 7300, 7500, 7700

925, 930, 932, 935, 940, 942, 945, 950, 952, 955, 960, 965, 965H, 968H, 970, 975, 975 HYDRO 4

Numery porównawcze
Z10008

Zobacz także