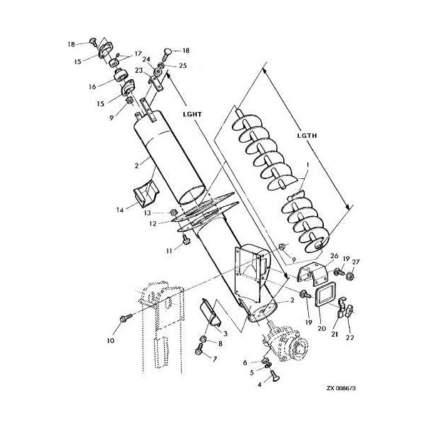
JI09-AZ49211 Ślimak do żmijki zbiornika John Deere 2057-2266

Indeks John Deere
627,00 zł
Brutto
Ilość

Zestaw do naprawy żmijki ( Oferta sprzedaży dotyczy samej spirali którą należy naspawać na stary wałek)

John Deere:
2054, 2056, 2058
2064, 2066
2254, 2256, 2258
2264, 2266
W660 W650 W550 W540 S690 S685

Średnica zewnętrzna 220mm


Numery porównawcze
AZ49211 AZ49203 AZ47210 AZ49212 AZ47212 AZ49204

Zobacz także