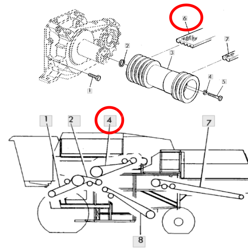
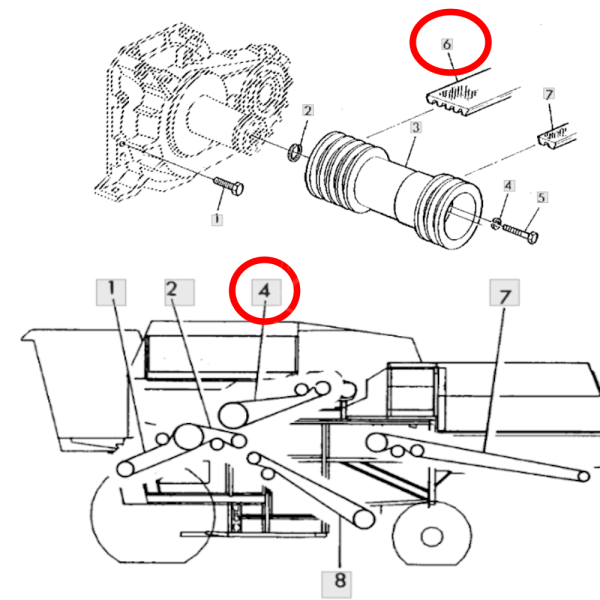
PAS3027- 0240348 Pas klinowy napędu 4HB Gates

1 649,00 zł
Brutto
Ilość

John Deere
2054 2056 2058 2064 2066
2254 2256 2258 2264 2266 2266E

Numery porównawcze
Z54332 Z59255 Z61857 AP1001190 367.022.4 0240348