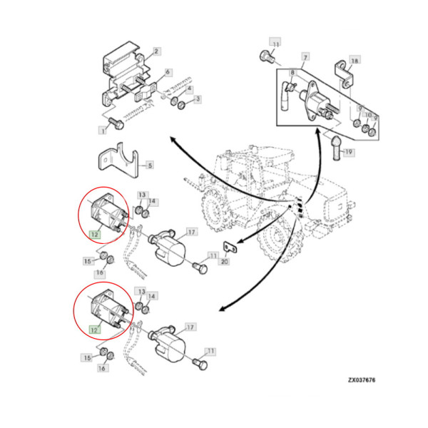
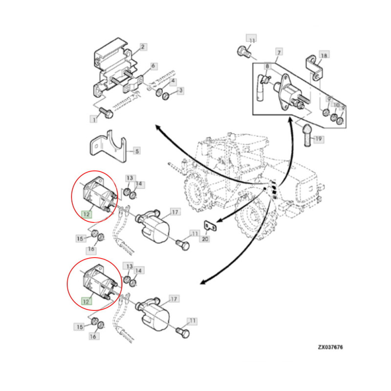
ELE2119 Przekaźnik rozruchowy John Deere

Indeks 123
380,00 zł
Brutto
Ilość

John Deere:

    

Kombajny:

S560, S650, S660, S670, S680, S685, S690

W540, W550, W650, W660

9780CTS

CTS

     

Ładowarki teleskopowe:

3215, 3220

3415, 3420

3800

     

12V, 3 przyłącza śrubowe

   

Numery porównawcze
AH160279 AH229058