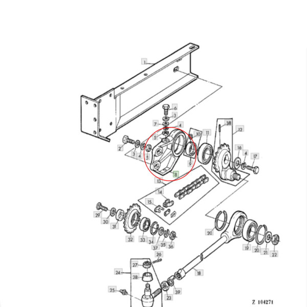
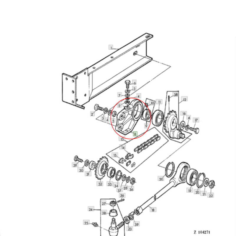
JH99-Z10017 Obudowa łożyska hedera, mocowanie zębatki

129,00 zł
Brutto
Ilość

John Deere:

Hedery do zboża:

900, 1000

Średnica otworów mocujących (mm): 14

Średnica wewnętrzna (mm): 76

Numery porównawcze
  Z10017

Zobacz także