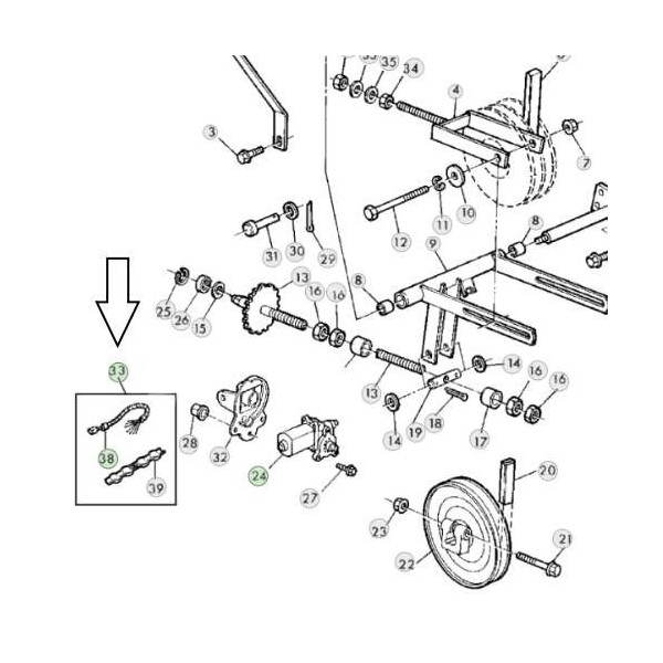
ELE9999 Wtyczka, przewody silnika regulacji obrotów wialni John Deere, Case

620,00 zł
Brutto
Ilość

John Deere
2054 2056 2058 2064 2066
2254 2256 2266 2258
9540WTS 9560WTS 9660WTS 9680WTS 9640WTS 9660WTS
1450 1550 1450CWS 1550CWS

Case
1688 1644 1666 2144 2166 2188 2377 2577 2588

Numery porównawcze
AZ51990

Zobacz także