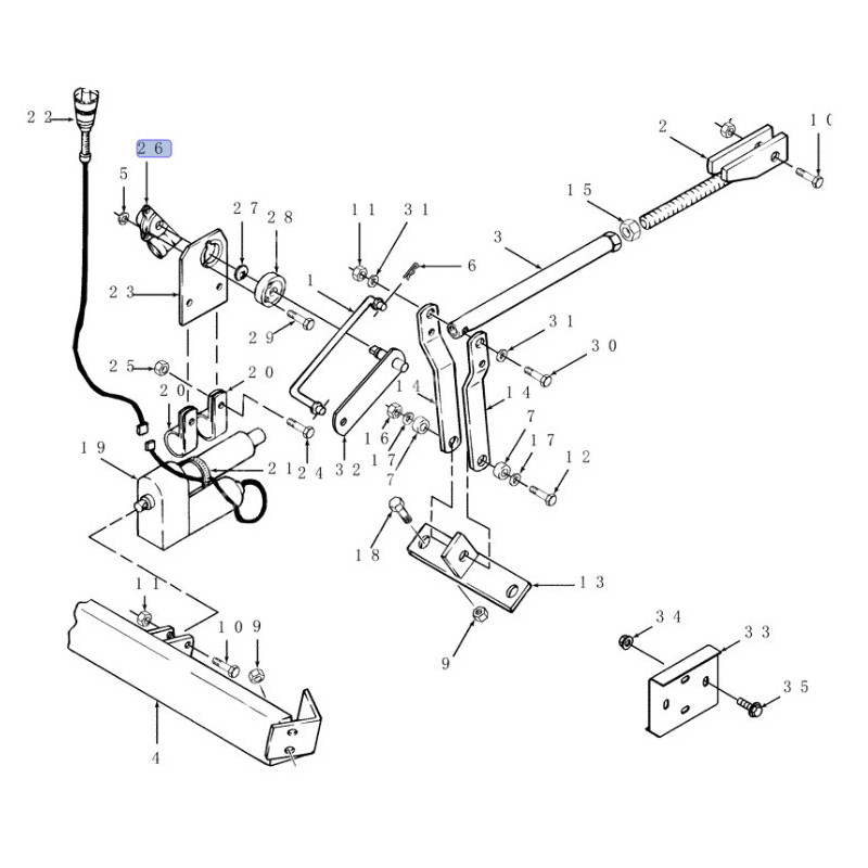
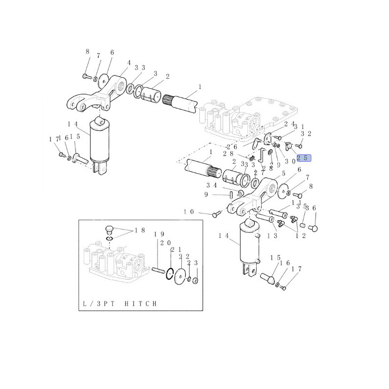
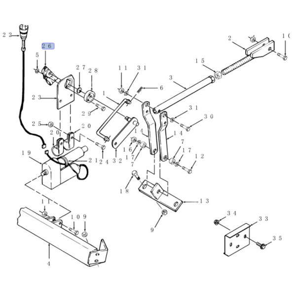
ELE51126 Potencjometr położenia CASE, FORD, NEW HOLLAND, FIAT

468,00 zł
Brutto
Ilość

FORD: 8970, 8970A, 8870, 8870A, 8770, 8770A, 8670, 8670A

FIAT: G240, G210, G190, G170

CASE: PRASY ROLUJĄCE RBX461, RBX451, RBX341, RBX561, RB455A

NEW HOLLAND: PRASY ROLUJĄCE  450, 654, 8670A, 658, 8770A, TR99,  TR89, 664,  644,  678, 648 BU7060, 688
3000 Ohm 16VDC

Numery porównawcze
86500902 86610542 86977396