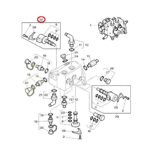
ELE7109org Elektrozawór biegów, rozdzielacza Massey Valtra Claas

490,00 zł
Brutto
Ilość

Claas
Ares 556, 546, 550, 540, 577, 547, 656, 616, 696, 697
Arion 510, 540, 640, 630
ATLES 926, 946
AXION 810, 850

Massey Ferguson
4707, 4708, 4709
5608, 5609, 5610, 5611, 5612, 5613
6612, 6613, 6614, 6615, 6616
7619, 7620, 7622, 7624, 7626
7714, 7715, 7716, 7718, 7719, 7720, 7722, 7724, 7726
5709, 5710, 5710SL, 5711, 5711SL, 5712SL, 5713SL
6711R, 6711, 6712, 6712R, 6713, 6713R, 6713S, 6714S, 6715S, 6716S, 6718S
6245, 6255, 6260, 6265, 6270, 6280, 6290, 6445, 6455, 6460, 6470, 6465, 6475, 6480, 6485, 6490, 6495, 6497, 6499,
8210, 8220, 8240, 8250, 8260, 8270, 8280

Valtra
 

Numery porównawcze
3904747M91 3907182M91 3794719H04 4363356M3 3794719M2