• Nowy

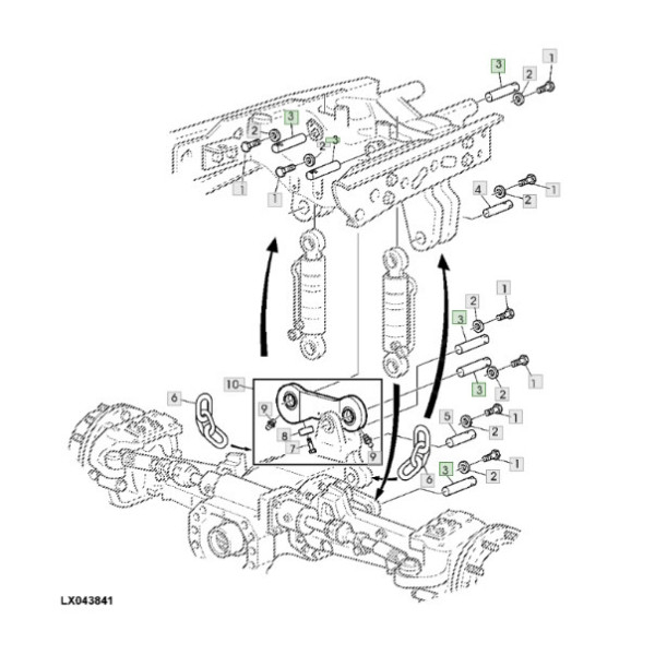
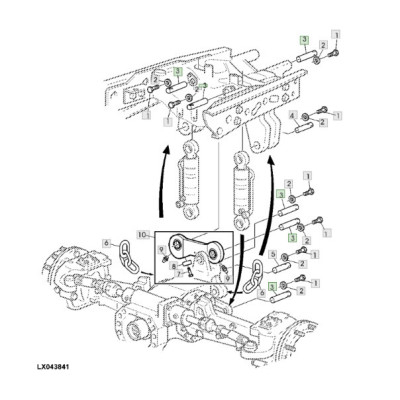
PON7008 Sworzeń kości TLS John Deere 30x95mm

85,00 zł
Brutto
Ilość

John Deere
6020, 6120, 6220, 6320, 6420, 6420S, 6520, 6620, 6820, 6920, 6920S
7220, 7320, 7420, 7420, 7520, 7520,       
7130PR, 7230PR, 7330PR, 7430PR, 7430PR, 7530PR,

Wymiary
95x30mm

poz: 3

Numery porównawcze
L114111, L166723

Zobacz także