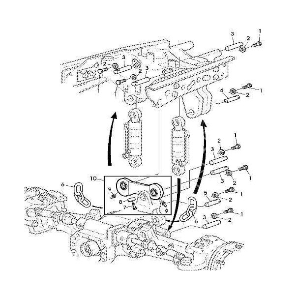
PON7046 Sworzeń TLS John Deere 25x92.6mm

99,00 zł
Brutto
Ilość

John Deere
6110, 6210, 6310, 6410, 6510, 6610, 6810, 6910, 6010
6220, 6320, 6420, 6620, 6020, 6120, 6520, 6820, 6920
7610, 7710, 7810,
7220, 7320, 7420, 7520,

Wymiary
Długość 92,6mm
Średnica 25mm

Sworzeń mocowania siłownika amortyzacji przedniej osi TLS w John Deere
Pozycja nr 4

Numery porównawcze
L114113

Zobacz także