HYD2003 Rozdzielacz hydrauliczny John Deere AL78187, AL119219

6 380,00 zł
Brutto
Ilość

John Deere

6010, 6210, 6310, 6410, 6510, 6610, 6810
6020, 6120, 6220, 6320, 6420, 6520, 6620, 6820, 6920
6100, 6200, 6300, 6400, 6506, 6600, 6800, 6900
7200, 7400, 7600, 7700, 7800

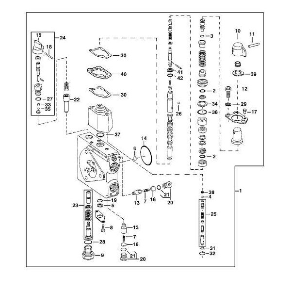
Pozycja nr 1 na rysunku

Numery porównawcze
RE239127 RE246372 AL78187 AL119219