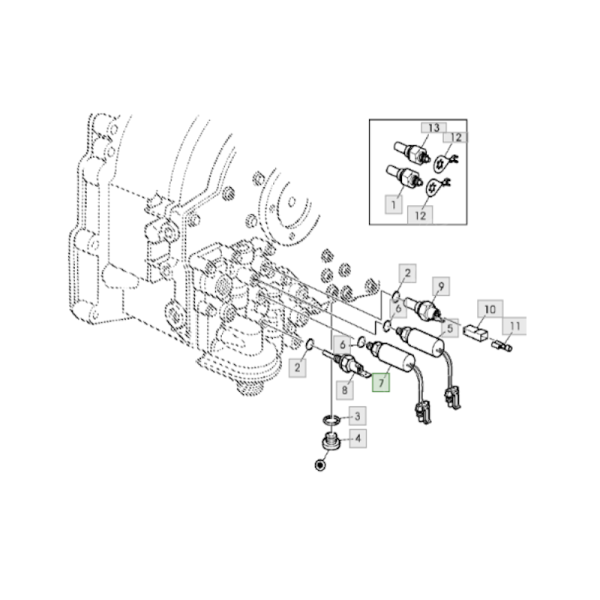
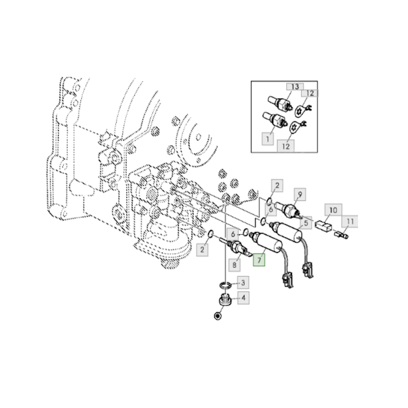
ELE4250 Czujnik niskiego ciśnienia oleju w skrzyni biegów

Indeks 123
109,00 zł
Brutto
Ilość

John Deere
5080R, 5080RN, 5090R, 5090RN, 5100R, 5100RN, 
6110M, 6115M, 6120M, 6125M, 6130M, 6105R, 6110R, 6115R, 6125R, 6130R, 
5620, 5720, 5820, 5080, 5090, 
6100, 6200, 6300, 6400, 6506, 6600, 6800, 6900, SE6100, SE6200, SE6300, SE6400, 
6205, 6505, 
6010, 6110, 6210, 6310, 6410, 6510, 6610, 6810, 6910, 
6910S, SE6010, SE6110, SE6210, SE6310, SE6410, SE6510, SE6610, 
6215, 6415, 6515, 
6020, 6120, 6220, 6320, 6420, 6420S, 6520, 6620, 6820, SE6020, SE6120, SE6220, SE6320, SE6420, SE6520, SE6620, 
6225, 6325, 6425, 6525, 
6130 6230 6330 6430 6530 6630 6730 6830 + Premium
7200

Numery porównawcze
RE212876 RE190350 RE69673 RE51333 RE165047 RE69672 RE165046 RE190349 RE46575 RE58157 RE46576 RE212875

Zobacz także