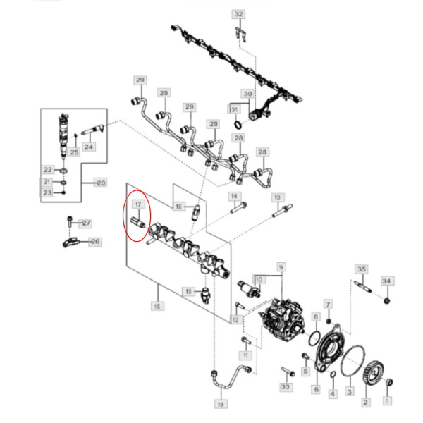
ELE4665 Zawór nadmiarowy ciśnienia paliwa John Deere RE536274

199,00 zł
Brutto
Ilość

John Deere:

5085M, 5090M, 5100M, 5115M

5090R, 5100R, 5115R, 5125R

6105M, 6105M (North America Edition), 6115M, 6125M, 6130M, 6140M, 6140M (North America Edition), 6150M, 6170M, 6170M (North America Edition)

6090MC

6105R, 6105R (North America Edition), 6115R, 6115R (North America Edition), 6125R, 6125R (North America Edition), 6130R, 6140R, 6140R (North America Edition), 6150R, 6150R (North America Edition), 6170R, 6170R (North America Edition), 6190R, 6210R

7210R, 7230R, 7250R, 7290R

          

Pozycja numer 17 na rysunku

               

Numery porównawcze
RE536274