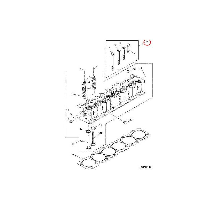
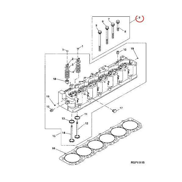
SCY7012 Zestaw szpilek śrub głowicy John Deere RE506501

1 140,00 zł
Brutto
Ilość

John Deere:
7710, 7720, 7810, 7820, 7920
8120, 8120T, 8220, 8220T, 8320, 8320T, 8420, 8420T, 8520, 8520T
9120, 9220, 9320, 9420, 9520, 9620
9560STS, 9640, 9650, 9650STS, 9660, 9660CTS, 9660STS, 9680, 9750STS, 9760STS
7200, 7300, 7400, 7500, 9996

Numery porównawcze
RE506501 (R121491 R121490 +R502911 R502912