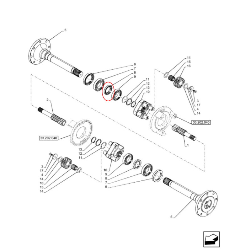
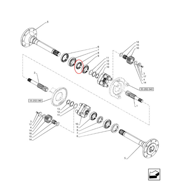
PON1781 Uszczelniacz półosi tylnej, wałka ataku Case Farmall MXM New Holland TM TSA

20,00 zł
Brutto
Ilość

Case
Farmall 55A, 55C, 65A, 65C, 75A, 75C
MXM120, 130, 140, 155, 175, 190
MXU100, 100 PRO, 110, 110 PRO, 115, 115 PRO, 125, 125 PRO, 135, 135 PRO

Fiat
70-66DT, 80-66, 80-66DT
100-90DT, 110-90DT, 115-90DT, 130-90DT, 140-90DT, 160-90DT, 180-90DT
70-90DT, 80-90DT, 90-90DT
M135, M160
Winner: F120DT, F130DT, F140DT

Ford
8630, 8830
8360, 8560

New Holland
T3.50F, T3.50F TMR, T3.55F, T3.60F, T3.65F, T3.70F, T3.75F, T3.80F
T4.55 PowerStar, T4.55S, T4.65 PowerStar, T4.65S, T4.75 PowerStar, T4.75S
T7.140
TM120, TM130, TM140, TM150, TM155, TM165, TM175, TM190
TM140, TM150, TM165, TM180, TM7010, TM7020, TM7030, TM7040
TS110A Delta, TS115A Delta, TS125A Plus, TS135A Plus

Wymiary: 57x85x12mm

Numery porównawcze
40002570 4996794 5106085 5111415 FA5111415