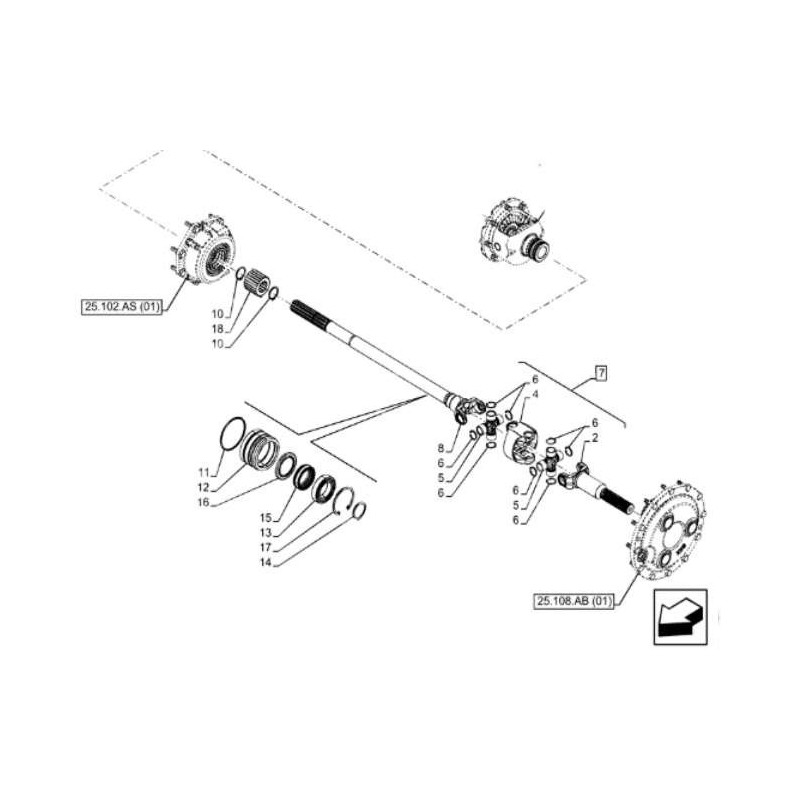
PON4926 Oring tuleji półosi Case New Holland

2,00 zł
Brutto
Ilość

Case
AVJ55, AVJ60, AVJ70,
Maxxum 100,Maxxum 110, Maxxum 115, Maxxum 120, Maxxum 125,
Maxxum 130, Maxxum 140, Maxxum 145, Maxxum 150,
MXM 120, MXM 130, MXM 135, MXM 140,
MXU 100, MXU 110, MXU 115, MXU125, MXU130, MXU135,
PUMA 115, PUMA 125, PUMA 130, PUMA 140, PUMA 145,
PUMA CVT 130, PUMA CVT 145, PUMA 160 CVT,
PUMA CVX 130, PUMA CVX145, PUMA CVX 160

New Holland
TM120, TM130, TM140
3010S, 4010S, 5010S,
TS100A, TS110A, TS115A, TS125A, TS130A, TS135A

Steyr
4100PROFI, 4115PROFI, 6115PROFI, 6125PROFI, 6135PROFI

Fiat
55-56, 60-56, 65-56, 70-56, 45-66, 50-66, 55-66, 56-66, 45-76, 55-76, 50-86, 55-86, 60-86, 70-86

Ford
3010, 3435, 3830, 3935, 4010, 4135, 5010

Wymiary (mm):    82,4 x 3,4

Numery porównawcze
14465380 87421144 238-5235 2385235