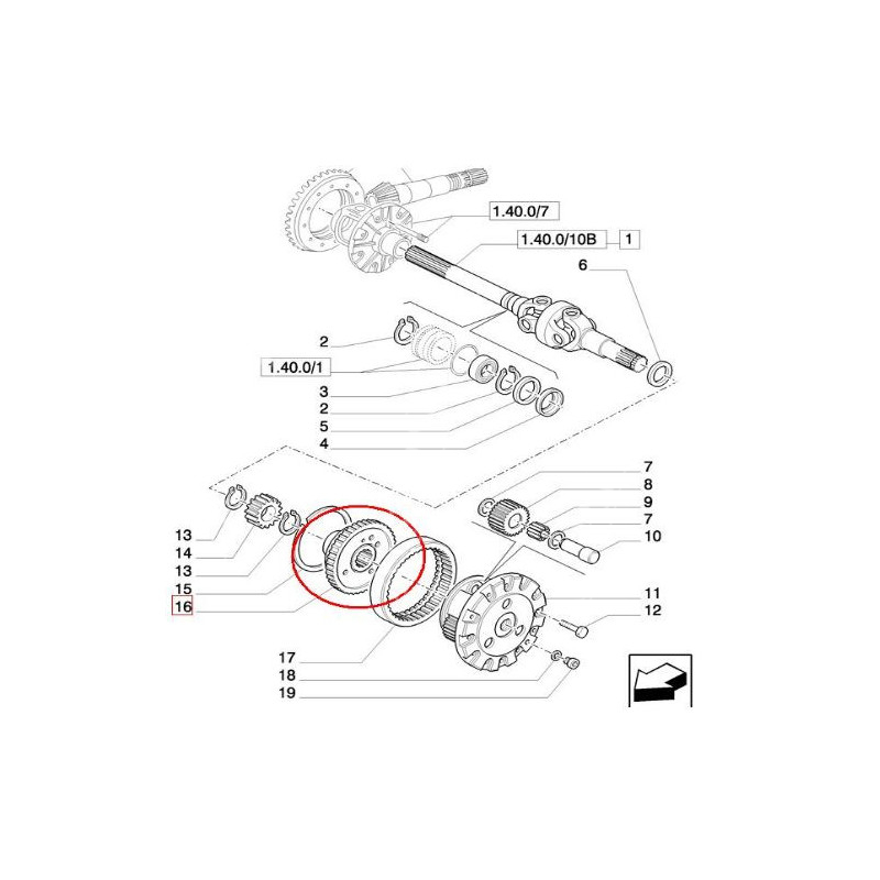
PON4904 Koło zębate zwolnicy Case New Holland 80mm

Indeks 123
499,00 zł
Brutto
Ilość

Case:
MXM120, MXM130, MXM135, MXM140, MXM150, MXM155, MXM165, MXM175, MXM180, MXM190, MXU100, MXU110, MXU115, MXU125, MXU130, MXU135

New Holland:
8160, 8260
TM110, TM115, TM120, TM125, TM130, TM135, TM140
TS100, TS110, TS115, TS120, TS80, TS90
TS100A, TS110A, TS115A, TS125A, TS130A, TS135A

Steyr:
4100, 4115, 6115, 6125, 6135

Wysokość  80mm

Numery porównawcze
5151440

Zobacz także