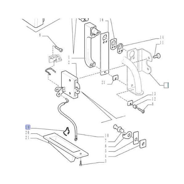
LIN7005 Sprężyna linki zamka drzwi 1szt.

Indeks 123
25,00 zł
Brutto
Ilość

Case:
MXM120, MXM130, MXM135, MXM140, MXM150, MXM155, MXM160, MXM165, MXM170, MXM180, MXM190
JXU75, JXU85, JXU95, JXU105, JXU115
JX70U, JX80U, JX90U, JX100U, JX1100U, JX1O90U, JX1080U, JX1070U
    
New Holland:
T5030, T5040, T5050, T5060, T5070
TL70, TL80, TL90, TL100
TL70A, TL80A, TL90A, TL100A
TM115, TM120, TM125, TM130, TM135, TM140, TM150, TM155, TM165, TM175, TM180, TM190, 
TS90, TS100, TS110, TS115
     
Pozycja numer 19
     
Cena dotyczy 1 sztuki
  
Numery porównawcze
82035974

Zobacz także