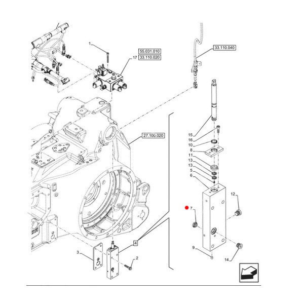
HYD8038 Zawór zwrotny Case 1994615C2

69,00 zł
Brutto
Ilość

Case:
Magnum - 7110, 7120, 7130, 7140, 7150, 7210, 7220, 7230, 7240, 7250,
225, 235, 250, 260, 280, 290, 310, 315, 335, 340, 370, 380, 400
MX Magnum - 180, 200, 210, 215, 220, 230, 240, 255, 270, 285 225, 235, 250, 260, 280, 290, 310, 315, 335, 340, 370, 380, 400
Optum CVX - 270, 300
Quadtrac - 370, 400, 420, 450, 470, 500, 540, 550, 580, 600, 620
Steiger - 280, 330, 335, 350, 370, 380, 385, 400, 420, 430, 435, 450, 470, 480, 485, 500, 530, 535, 540, 550, 580, 600, 620
STX Steiger - 275, 280, 325, 330, 375, 380, 425, 430, 440, 450, 480, 500, 530

New Holland:
T7 - T7.290, T7.315
T8 - T8.275, T8.300, T8.320, T8.330, T8.350, T8.360, T8.380, T8.390, T8.410, T8.420, T8.435
T9 - T9.645, T9.435, T9.450, T9.480, T9.505, T9.530, T9.565, T9.600, T9.615, T9.670, T9.700
T8000 - T8010, T8020, T8030, T8040. T8050
T9000 - T9010, T9020, T9030, T9040, T9050, T9060
TG - TG210, TG230, TG255, TG285
TJ - TJ280, TJ275, TJ325, TJ330, TJ375, TJ380, TJ425, TJ430, TJ450, TJ480, TJ500, TJ530

Numery porównawcze
1994615C2