Książka serwisowa katalog częci Case 580sle

55,00 zł
Brutto
Ilość

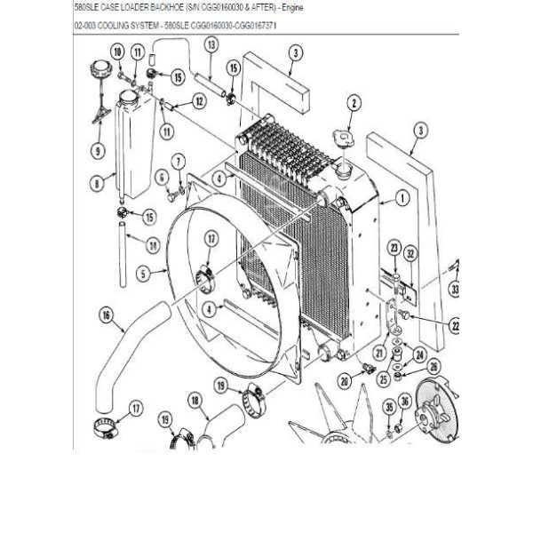
Katalog częsci maszyny Case 580SLE w formie pdf - wysłana na adres e-mail po opłaceniu!

W sposobie dostawy należy wybrać "odbiór w sklepie" aby otrzymać instrukcję w formie pdf na adres e-mail.