• Neu

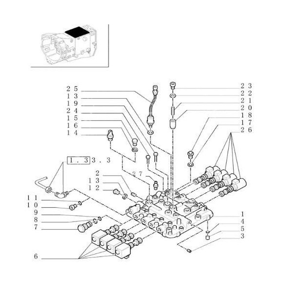
copy of ELE4261 Getriebeöldrucksensor am Verteiler 9,85 mm

359,00 zł
Bruttopreis
Menge

Ford New Holland
TM110, TM115, TM120, TM125, TM130, TM135, TM140, TM150, TM155, TM160, TM165, TM175, TM180, TM190

Koffer:
MXM120, MXM130, MXM140, MXM155

Gewindedurchmesser 9,85 mm

Numery porównawcze
82028154 87494225 8752246 87308215 5186953