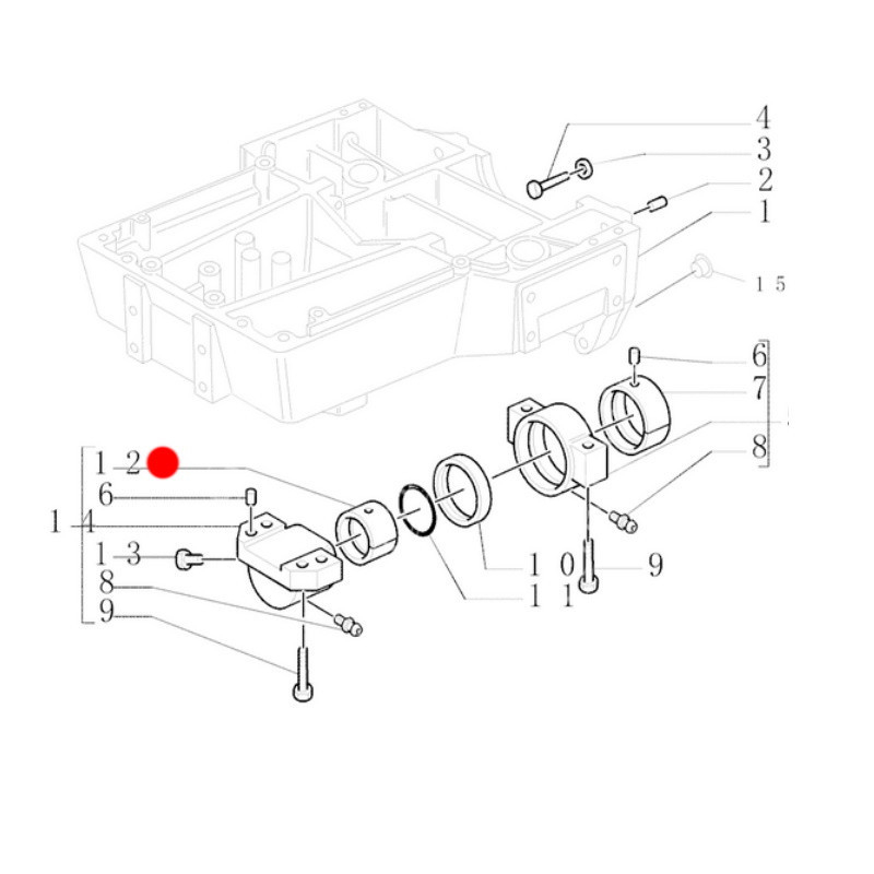
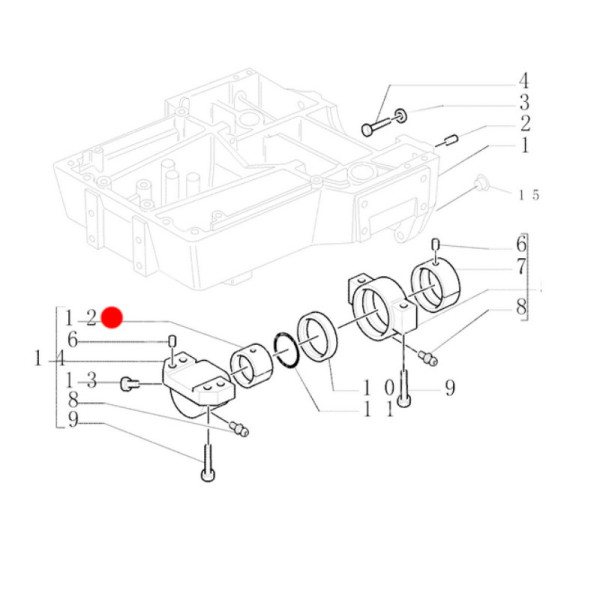
PON2632 Vorderachsaufhängungsbuchse 62,85 x 68,15 x 55 mm

Artikel-Nr. New Holland
69,00 zł
Bruttopreis
Menge


Gehäuse
Maxxum 100 110 115 120 125 130 140
PUMA 115 125 130

New Holland
T6.120 , T6.125 , T6.140 , T6.140 AC , T6.145 , T6.150 , T6.155, T6.160, T6.165, T6.175, T6.180, T6.180 Autocommand
T6.145 AC, T6.150 AC, T6.155 AC, T6.160 AC, T6.165 AC, T6.175 AC
T6030 PC, T6070PC, T6080 PC , T6090 PC
T7.175 AC , T7.190 AC , T7.200 AC , T7.210 AC , T7.220 AC , T7.225 AC , T7.230 AC , T7.235 AC , T7.245 AC , T7.250 AC , T7.260 AC , T7.270 AC
T7.200 RC , T7.210 RC
T7030 , T7040 , T7050 , T7060
T7030 AC , T7040 AC , T7050 AC , T7060 AC , T7070 AC
T7030 PC , T7040 PC , T7050 PC, T7060 PC
TM120 , TM130 , TM140 , TM150 , TM155 , TM165 , TM175 , TM190
 
FIAT
90: 115-90DT (D3063>), 130-90DT (D3063>), 140-90DT (D3063>), 160-90DT (D3063>), 180-90DT (D3063>)
M: M135 , M160
F120DT , F130DT , F140DT
 
Ford
60: 8360 , 8560

Abmessungen
62,85 x 68,15 x 55 mm

Numery porównawcze
1235140889 5140889

Vielleicht gefällt Ihnen auch