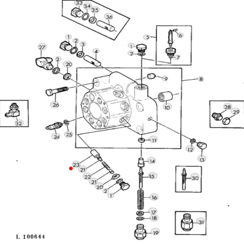
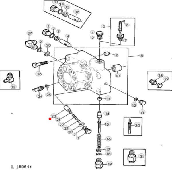
HYD1701 Hydraulikpumpenkolben

22,00 zł
Bruttopreis
Menge

John Deere 1020, 1120, 2020, 2120, 3120 2255 1030, 1130, 1630, 1830, 2030, 2130, 3030, 3130 1040, 1140, 1640, 1840, 2040, 2140, 2240, 2440, 2640, 2840, 3040, 3140, 3640, 840, 940 1350, 1550, 1750, 1850, 1950, 2150, 2250, 2350, 2450 2550, 2650, 2750, 2850, 3050, 3350, 3650
2155, 2355, 2555, 2755, 2855, 840, 940 2040 S

Numery porównawcze
R63022 R39068