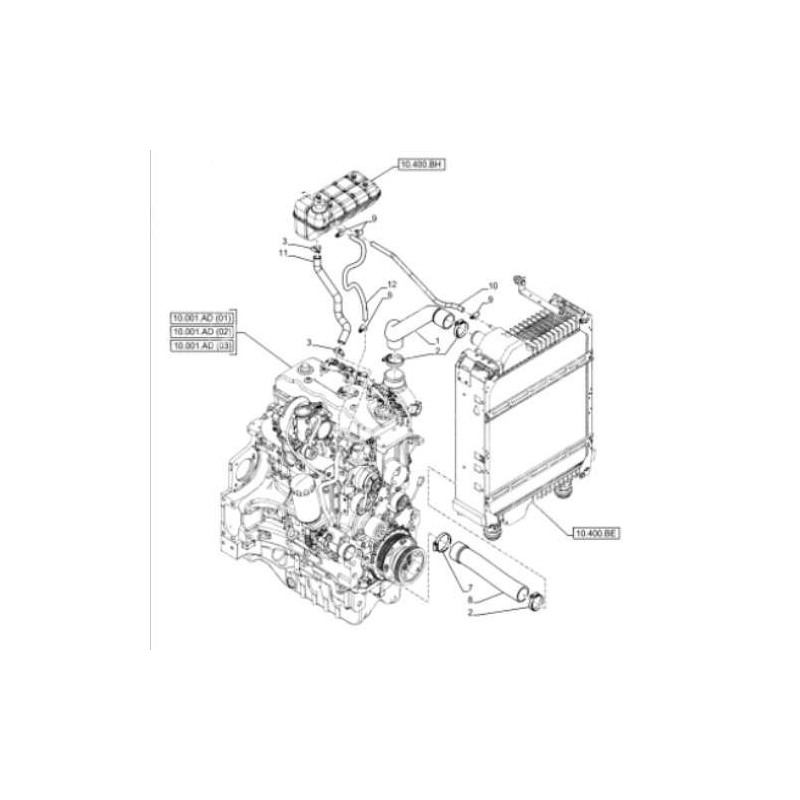
SUC3022 Kühlerschlauch oben Case New Holland

88,00 zł
Bruttopreis
Menge

Case
MAXXUM 120, MAXXUM 100, MAXXUM 125, MAXXUM 110, MAXXUM 115, MAXXUM 130 MAXXUM 140
MXU100, MXU110, MXU115, MXU125, MXU130, MXU135

New Holland
TS125A .   T6050 .   T6060 .   T6070 .   T6050 .   T6070 .   T6050 .   T6070 .   T6080 .   T6010 .   T6080 .   T6010 .   T6020 .   T6030 .   TS135A .   T6030 .   T6050 .   T6030 .   T6040 .   T6050 .   TS100A .   T6050 .   TS115A .   T6050 .

Abmessungen 44,50 mm ID, 50,00 mm ID x 304,00 mm

Artikelnr. 1

Numery porównawcze
82030133 84352746