• -15%

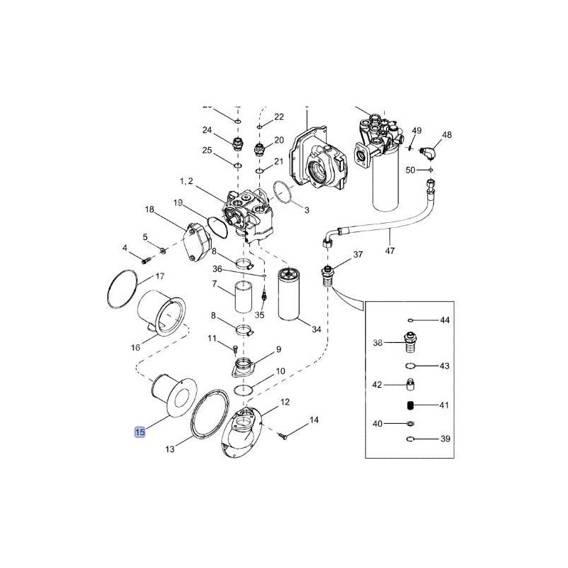
FHY2115 Hydraulikfilterpatrone Case New Holland

509,15 zł
599,00 zł Sie sparen 15%
Bruttopreis
Menge

Fall:

Magnum 7110 7120 7130 7140 7150 7210 7220 7230 7240 7250 PRO 8910 8920 8930 8940 8950
MAGNUM 250 MAGNUM 260 MAGNUM 280 MAGNUM 290 MAGNUM 310 MAGNUM 315 MAGNUM 340 MAGNUM 370 MAGNUM 380 MAGNUM 380 MAGNUM 380 MAGNUM 380 MAGNUM 380 MAGNUM 8920 BR MAGNUM 8940 BR MX180 MX200 MX210 MX220 MX240 MX270 MX285

New Holland:

T8.270 T8.275 T8.295 T8.300 T8.320 T8.325 T8.330 T8.350 T8.355 T8.360 T8.380 T8.385 T8.390 T8.410 T8.420 T8.435 T8010 T8020 T8030 T8040 T8050 TG210 TG230 TG250 TG255


Numery porównawcze
1348335C1 87773355 84546018 1340552C1 SH66276 

Vielleicht gefällt Ihnen auch