TRP1503 Case Maxxum MX Hubarm-Stabilisator-Schäkelstift

129,00 zł
Bruttopreis
Menge

Fall:

5120, 5130, 5140, 5150

MX100, MX110, MX120, MX135

MX80C, MX90C, MX100C

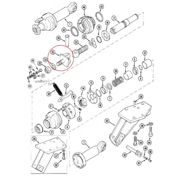
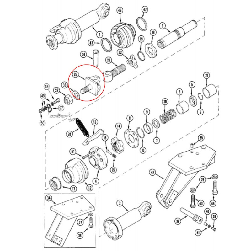
Positionsnummer 25 in der Zeichnung

Numery porównawcze
193149A1

Vielleicht gefällt Ihnen auch