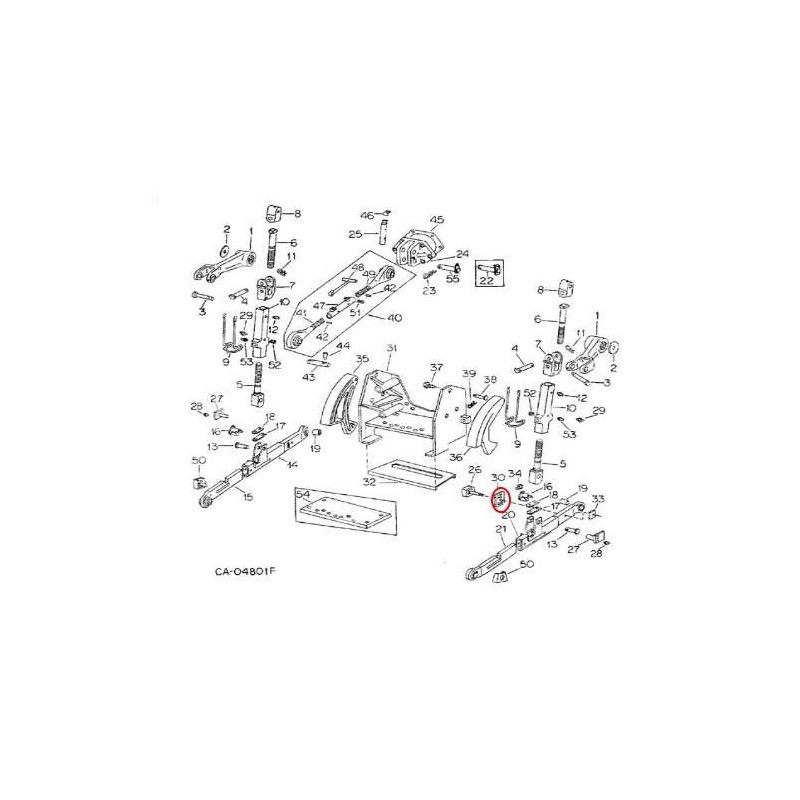
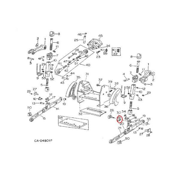
TRP4364 Abstandshalter

265,00 zł
Bruttopreis
Menge

Case Magnum: 7110, 7120, 7130, 7140, 7150, 7210, 7220, 7230, 7240, 7250

Pos. 30 im Bild.

Numery porównawcze
1266811C1