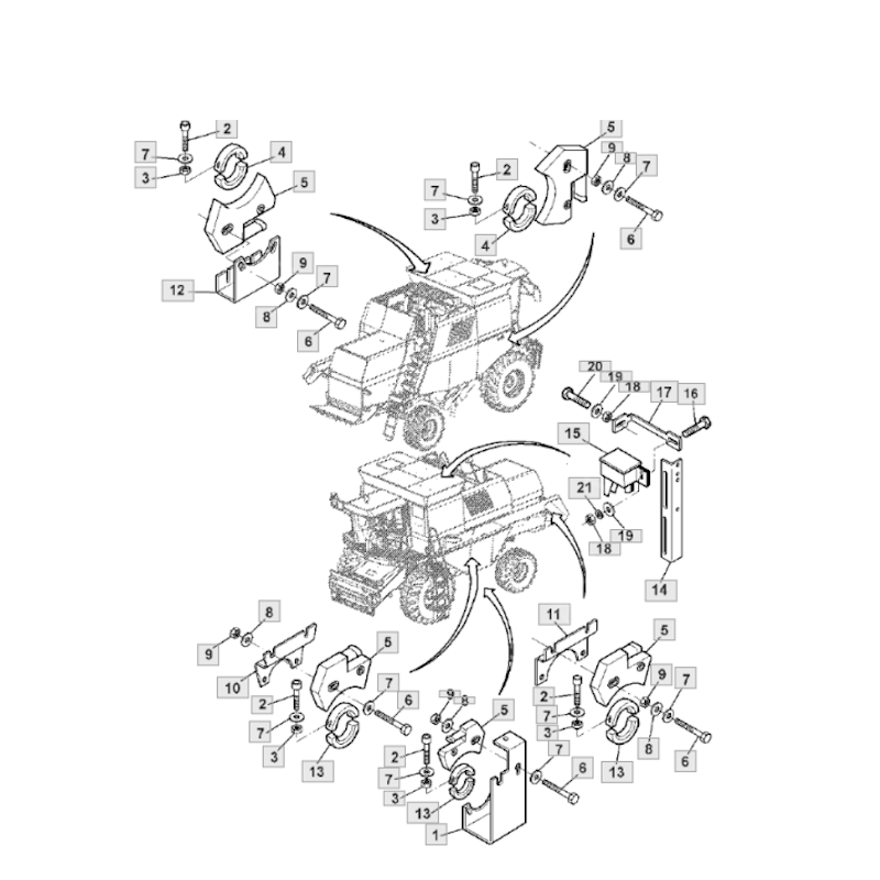
ELE4702 Geschwindigkeitssensor

Anwendung des JD Mähdreschers
2064, 2066, 2254, 2256, 2258, 2264, 2266CTS,
9780CTS, 9540, 9560, 9580, 9640, 9660, 9680, 9780CTS, 1450CWS, 1550CWS

AZ46388

89,00 zł
Bruttopreis
Menge

Anwendung des JD Mähdreschers
2064, 2066, 2254, 2256, 2258, 2264, 2266CTS,
9780CTS, 9540, 9560, 9580, 9640, 9660, 9680, 9780CTS, 1450CWS, 1550CWS

Numery porównawcze
AZ46388