JD-AZ49853 John Deere 2054 2056 2066 Entladeschnecke

1.400,00 zł
Bruttopreis
Menge

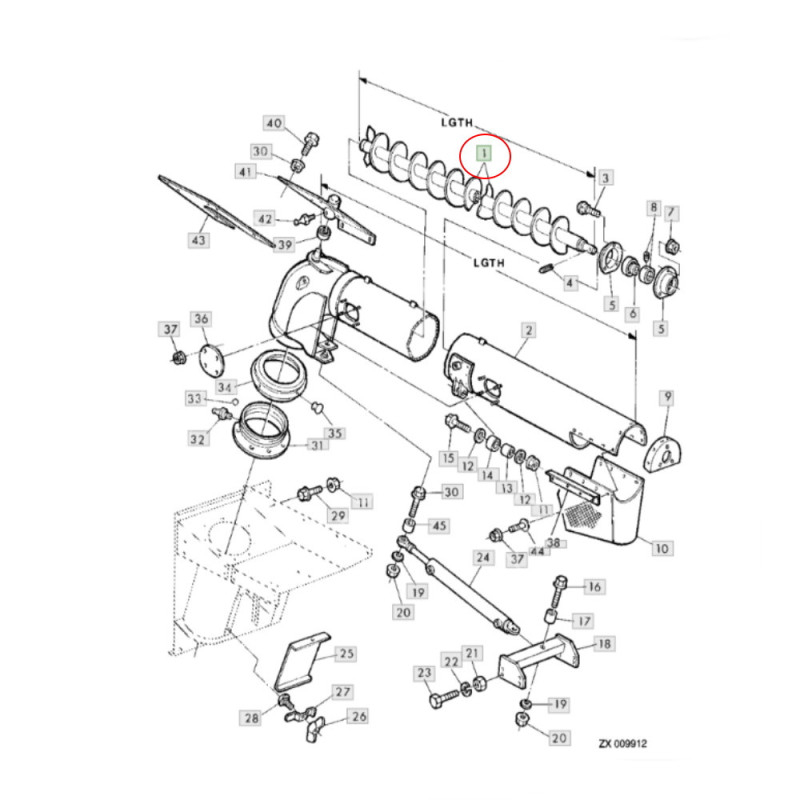
John Deere:
2054, 2056, 2058, 2064, 2066

Schneckenreparatursatz (das Verkaufsangebot bezieht sich auf die Spirale selbst, die auf die alte Welle geschweißt werden sollte)
Für ein Rohr mit 5095 mm Länge

Außendurchmesser 275mm
Wellendurchmesser: 82mm

Gesamtlieferzeit ca. 100 PLN

Numery porównawcze
AZ49853 AZ44721 AZ49431