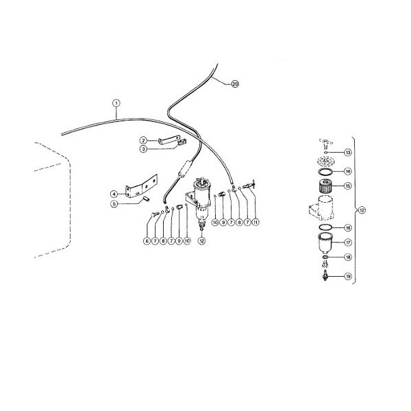
FPA2024 Kraftstofffilter

Artikel-Nr. 0
139,00 zł
Bruttopreis
Menge

 
Claas:
DOMINATOR:
38, 48, 58, 68, 68R/SR, 76, 78, 80, 85, 86, 88, 89, 88VX, 96, 98, 98VX, 100, 105, 106, 118/108, 128/108VX, 130, 140, 150; 
KOMMANDANT:
114CS, 115CS, 228/116CS; MEGA 202, 202II, 204/203, 204/203 II, 218/208, 218/208 II; 
LEXION:
405, 410, 415, 420, 430, 440, 450, 460, 470, 480.
MEGA: 
204,204AC
 Position auf dem Foto: 15
 
Numery porównawcze
    0007236971 E201005SF01 723697.1 723697 SK3053