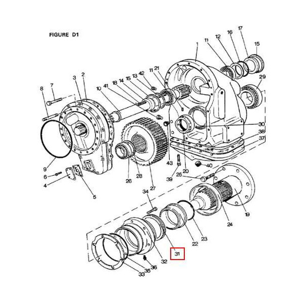
PON1638 Hinterachsdichtung 101x127x16mm

Artikel-Nr. 123
179,00 zł
Bruttopreis
Menge

David Brown
1400 Serie
1410, 1412
90 Serie
1690, 1690 Turbo
94 Serie
1594, 1694

Case Baggerlader:
580 F
580 G

Abmessungen:
Außendurchmesser: 127 mm
Innendurchmesser: 101 mm
Breite: 16 mm

Numery porównawcze
K623432