• -10%

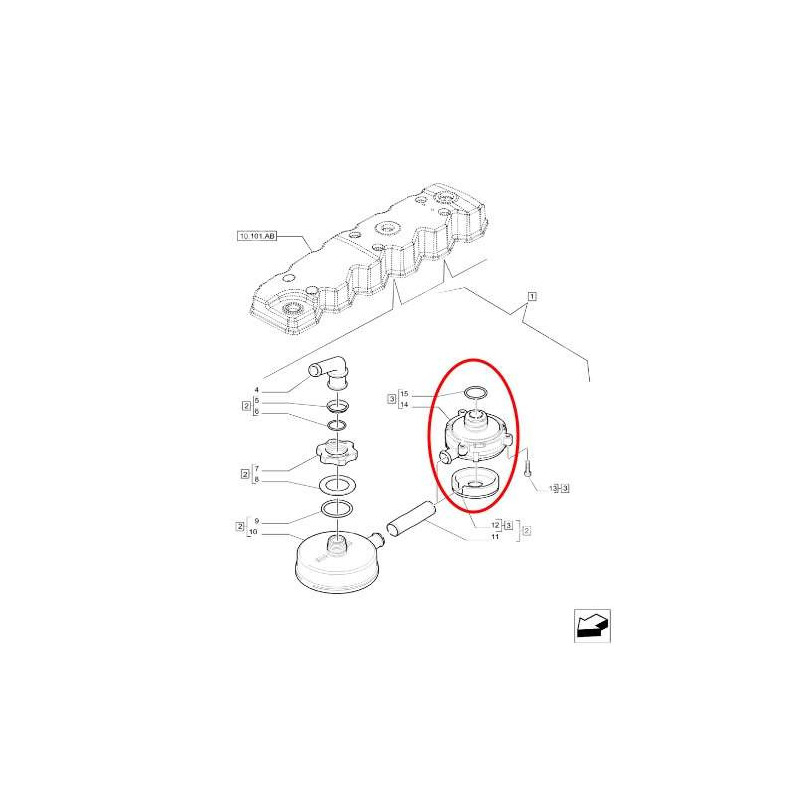
SPO7021 Case New Holland Motorentlüftungsfilter

380,70 zł
423,00 zł Sie sparen 10%
Bruttopreis
Menge

Koffer: Maxxum100, Maxxum110, Maxxum115, Maxxum120, Maxxum125, Maxxum130, Maxxum140 MXU100, MXU110, MXU115, MXU125, MXU130, MXU135 Puma115, Puma125, Puma140, Puma155, Puma165, Puma180, Puma195, Puma210, Puma225 521E 621E 721E 821E 850L 580SR 580ST 590SR 590ST 695SR 695ST New Holland: T6010 Delta, T6010 Plus, T6020 Delta, T6020 Elite, T6020 Plus, T6030 Delta, T6030 Elite, T6030 Plus, T6040 Elite, T6050 Delta, T6050 Elite, T6050 Plus, T6060 Elite, T6070 Elite, T6070 Plus T7.170, T7.175, T7.185, T7.190, T7.200, T7.210, T7.220, T7.230, T7.235, T7.245, T7.250, T7.260, T7.270 T7030, T7040, T7050, T7060, T7070 />TS100A, TS110A, TS115A, TS125A, TS130A, TS135A
B100B B100BLR B100BTC B110 B110B B110BTC B115 B115B


Steyr
Profi 4110 4120 4130 6125 6140

Nein. 3 im Diagramm.



Numery porównawcze
84196302 84231666 5802276802 504153150