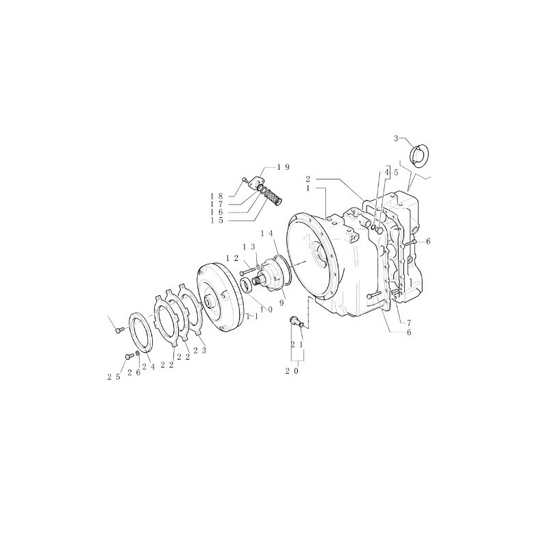
HYD7048 Power-Shuttle-Flüssigkeitskupplung (Wandler)

Artikel-Nr. terex
3.980,00 zł
Bruttopreis
Menge

Case 580SR 2004–2010 New Holland/Fiat LB90.B LB95.B LB110.B FB100.2 B90B B100B B110B B100 LM415A, LM425A, LM435A, LM445A Halbautomatisches Power-Shuttle-Getriebe

Numery porównawcze
87400114 85825970 87702192 87400112 642652 340476

Vielleicht gefällt Ihnen auch